Compatibilité domotique / fil pilote pour radiateurs Thermor

Bonjour à tous :pray: :sun_with_face:

J’ai lu pas mal de discussions sur le forum, certaines un peu anciennes, et j’ai essayé de rassembler des infos sur le pilotage des radiateurs Thermor avec Jeedom, mais je n’ai pas trouvé de réponse claire pour mon cas. Je me permets donc de poser la question ici, en espérant ne pas être trop “répétitif”.

Je possède trois modèles de radiateurs Thermor dans un gîte et j’aimerais savoir quelles solutions domotiques permettent de les piloter de façon fiable et centralisée :

Modèles concernés :

  • Radiateur électrique chaleur douce Equateur 4 Plinthe Blanc – 1500W
  • Radiateur électrique Ingenio 4 – 500W Horizontal Blanc Mat
  • Sèche-serviettes électrique Corsaire 2 Blanc 300W Étroit droit

Mon objectif est de pouvoir piloter ces radiateurs à distance via une box domotique, en utilisant le fil pilote déjà passé jusqu’au tableau électrique, et de pouvoir :

  • Limiter la température maximale, même si un client modifie la consigne directement sur le radiateur.
  • Mettre en place des scénarios automatiques, par exemple régulation selon une sonde Netatmo, modes confort/eco/hors-gel, ou abaissement automatique entre deux locations.
  • (Optionnel) Suivre la consommation à distance.

J’ai vu que certains utilisateurs lient leur Jeedom avec Cozytouch, mais pour moi le Bridge Cozytouch seul ne suffit pas, car il ne permet pas de restreindre la température ni de créer des scénarios avancés — un client pourrait toujours modifier la consigne.

J’envisage donc d’utiliser Jeedom avec des modules fil pilote type Qubino Z-Wave, mais je voudrais savoir :

  1. Si mes trois modèles sont compatibles avec Jeedom / Qubino ou avec d’autres solutions fiables permettant un contrôle fil pilote complet.
  2. Si certains d’entre vous ont des recommandations de boxes ou modules domotiques adaptés pour piloter ces radiateurs avec les fonctionnalités que je recherche.

Merci beaucoup pour vos retours et vos conseils,
Bonne journée à tous ! :pray: :sun_with_face:

Yiannis

Bonjour,

Pour moi le contrôle via fils pilote ne permet pas de modifier la consigne de température.

2 « J'aime »

Bonjour,

Je n’ai pas saisi si vos radiateurs sont connectés ou pas ?

Car si ils sont connectés, vous ajoutez une box Cozytouch (ou peut être mieux une TaHoma) et avec le plugin SomfyUnified, vous aurez accès à tous les paramètres de programmation/monitoring de vos radiateurs Thermor sous Jeedom …

1 « J'aime »

Bonjour,

de mon côté j’ai un ipx 800 avec des modules X-4FP (2 car j’ai fait 8 zones); ça m’a permis de tout centraliser dans mon tableau « domotique » à côté du tableau électrique.
Tu peux faire tes scenarios souhaités et « bloquer » les consignes dans le sens où même si les locataires montent le thermostat côté radiateur Jeedom enverra l’ordre d’arrêt aux radiateurs via le fil pilote.

A dispo si besoin de plus d’infos :slight_smile:

Bonne soirée

1 « J'aime »

Le blocage de la température sur le radiateur par un utilisateur ne dépendra uniquement de la possibilité de le verrouiller physiquement sur le radiateur en question → voir si c’est possible nativement sur le panneau de contrôle ou bien bricoler un « verrou » mécanique pour empêcher de toucher au panneau de contrôle.
Ensuite via Jeedom tout est possible : avec une sonde de température installée dans la pièce et qui communique avec Jeedom (ZigBee, zwave, …), un module (ZigBee, zwave,… toujours ) qui envoie un signal sur le fil pilote (voir tous les sujets qui parlent de cette fonction) et le plugin-thermostat vous aurez tout liberté de régler ce que vous voulez quand voulez. Tout ceci sous condition que le premier paragraphe soit garanti (pas d’actionnement physique sur le radiateur).

1 « J'aime »

Bonjour,

N’importe quel type de radiateur électrique ayant un fil pilote peut être piloté par Jeedom avec ces fonctionnalités :

Oui, c’est parfaitement possible et c’est même le fonctionnement normal tant que Jeedom garde la gestion de la température de consigne via le fil pilote.

Aussi. N’importe quelle sonde de température (Zigbee, zwave, wifi,…) placée dans la pièce peut servir de référence, tant que Jeedom y a accès. Et bien sûr, une telle sonde est obligatoire.

Également. Mais là ça ne peut plus passer via le fil pilote bien sûr, mais via un module de mesure de consommation placé directement sur l’alimentation du radiateur en question (soit sur le radiateur lui-même, soit dans le tableau électrique).

Comment faire ?

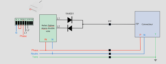
Pour gérer le fil pilote, juste un petit rappel. Le signal envoyé sur ce fil pilote doit ressembler à ça pour ordonner un mode quelconque :

image

Donc :

  • Mode Confort = pas de signal (0V)
  • Mode Hors Gel = composante négative d’un signal alternatif 220v.
  • Mode Economique = signal alternatif de 220v (= secteur)
  • Mode arrêt = composante positive d’un signal alternatif 220v.

(Pour simplifier, je ne parle pas des modes confort-1° et confort-2°, dont les signaux sont plus complexes).

A partir de là, il suffit de disposer sur chaque radiateur un module (Zwave, Zigbee,…) ayant au minimum un contact sec sur le fil pilote.
Ensuite, deux écoles :

  • Deluxeavectoutelesoptions : acheter un module spécialisé qui gère directement le fil pilote. Avantage : rien à faire si ce n’est que de le brancher, et ça marche… Inconvénient : ils sont généralement plutôt chers.
    Exemple de module :
    https://www.domadoo.fr/fr/chauffage-connecte/6828-nodon-module-chauffage-fil-pilote-connecte-zigbee-30.html

  • Economique : acheter un module quelconque ayant un relais sec, et mettre en série une ou deux diodes (type 1N4001, 4007,…) pour générer le signal voulu sur le fil pilote.
    Avantage : pas cher du tout. Inconvénient : ça demande un minimum de bricolage.
    A noter que la gestion d’un fil pilote ne nécessite aucune puissance : donc pas de chauffe des composants, et quasiment aucun risque. Il ne circule que quelques milliampères, mais la tension reste sur du 220v par contre.

On aura donc un schémas comme suit :

Et la logique de fonctionnement est celle-ci :

image

Note : avec une seule diode, on peut encore simplifier le fonctionnement :

Exemple :

A partir de là, il est facile ensuite d’appairer ce module sous Jeedom, et de disposer le ou les relais en fonction de ce que l’on souhaite avec des commandes, des scénarios, etc…
Un plugin est d’ailleurs dédié à cette gestion, c’est le plugin Thermostat. Il est particulièrement bien fait et couvre tous les besoins, y compris par exemple la prise en compte de l’ouverture d’un ouvrant.
Avec ce plugin, on peut définir ainsi une température de consigne variable que l’on choisira pour les modes confort, économique, et hors gel.

Avec une telle configuration, plus besoin de centrales (Cosytouch ou autres), Jeedom s’occupe de tout !

Et pour suivre la consommation, un module comme celui-ci (en zigbee) placé directement sur l’alimentation du radiateur sera parfait :

https://www.domadoo.fr/fr/energie-domotique/6985-shelly-shelly-pm-mini-gen3-micromodule-compteur-d-energie-monophase-16a-3800235261613.html

2 « J'aime »

Astuce, pour suivre la consommation d’un chauffage électrique avec le plugin thermostat.
Tu peux simuler la conso a partir de l’instruction du fil pilote et 1 virtuel :wink:

3 « J'aime »

Bonjour à tous,
Juste pour apporter ma petite contribution : tous mes radiateurs sont pilotés par Jeedom (et Thermostat pour certains) via le fil pilote et des modules Qubino zwave.
Mais, pour mon cas précis, j’ai 3 modèles de radiateurs :

  • Un modèle où le fil pilote a toujours la priorité,
  • Deux modèles pour lesquels l’utilisateur a toujours la priorité (les actions manuelles sur le radiateur désactivent le pilotage par le fil pilote) et que je ne peux pas verrouiller de façon sure.

Le tout pour 6 radiateurs.
Donc, selon ma compréhension du problème, la solution est très dépendante du modèle des radiateurs.
Si çà peut aider / éclairer.
Bonne journée à tous.
Maxime

2 « J'aime »

Bonjour,

Ah, OK…
Question : est-ce qu’une simple modification de la consigne directement sur le radiateur suffit à désactiver complétement le pilotage via le fil pilote, ou doit-on effectuer au préalable une action de changement de mode (ou autre) ?

1 « J'aime »

Pas tout à fait (il faudrait que je vérifie pour chaque modèle) : les consignes ne sont pas dépendantes du mode de pilotage.
Donc, on peut modifier les consignes sans désactiver le pilotage par fil pilote sur au moins un modèle.

Je constate que ma formulation n’est pas tout à fait exacte.

1 « J'aime »

Dans ce cas, Jeedom finira toujours par reprendre la main à un moment où à un autre en suivant sa propre consigne de température, et non pas la consigne donnée localement sur le radiateur.
Mais ce n’est pas contradictoire avec ce que je dis aussi :

A confirmer suivant le modèle exact donc…

1 « J'aime »

Bonjour à tous,

Un énorme merci pour toutes vos réponses rapides et super détaillées :pray:
Je découvre la domotique « sérieusement » et pour être honnête… je suis un peu perdu :sweat_smile:
Donc vraiment merci pour votre patience — si vous pouvez m’expliquer comme si j’étais votre grand-père, je vous aime déjà !

Je récapitule et je réponds à chacun :

:pray: Eridani78

Merci beaucoup !
Oui, mes radiateurs sont connectés :

  • Les deux radiateurs (Équateur 4 et Ingenio 4) sont nativement connectés (compatible Cozytouch).
  • Le sèche-serviette doit recevoir l’interface Cozytouch Thermor pour devenir connectable.

Du coup je comprends que je pourrais utiliser une box Cozytouch ou une TaHoma et ensuite Jeedom via SomfyUnified.
Mais si je pars là-dessus, est-ce que je garde un contrôle total via Jeedom (limiter la T°, scénarios, etc.), ou bien Cozytouch me bloque encore certaines choses ?

:pray: @sebcbien58

Merci vraiment pour ton retour !
Si tu veux partager plus d’infos, je suis 100% preneur !
L’IPX800 + X-4FP a l’air très propre et sérieux, mais je ne sais pas du tout comment on met ça en place.
Et ça fonctionne avec n’importe quel modèle de radiateur du moment qu’il a un fil pilote ?
Donc mes modèles Thermor cela irait ?

Ça me semble peut-être la solution la plus stable pour un gîte où les clients touchent à tout !
Est ce que je pourrais même connecter un chauffeau thermodynamique Atlantic Calypso connecté ? Et le X-4fp est ce qu’il peut suivre la conso de chaque radiateur également ?

:pray: @DanielJ

Un immense merci pour ton message ultra complet :pray:
Tes explications + schémas = impressionnant.
C’est un peu complexe pour moi mais j’ai compris l’idée générale.
Donc si je résume :
:arrow_right: Oui, je peux tout faire via Jeedom (limites, scénarios, thermostat, etc.)
:arrow_right: Il me faut un module fil pilote par radiateur
:arrow_right: Et éventuellement un module pour mesurer la conso

Mais j’ai encore besoin de tes recommandations précises :

  • Quelle box Jeedom dois-je acheter (il y en a plusieurs) ?
  • Quel module fil pilotetu me conseilles pour mes 3 appareils ?
  • Pour le sèche-serviette : si j’achète l’interface Cozytouch, dois-je aussi prendre la box Cozytouch en plus, ou Jeedom peut gérer sans ?

Encore merci pour tout ce temps que tu as pris.

:pray: crevelm

Merci pour ton retour d’expérience, c’est super utile !
Tu pourrais nous dire quels modèles de radiateurs tu possèdes parmi les 3 types (priorité fil pilote OU priorité utilisateur) ?
Ça m’aiderait beaucoup à anticiper.


:question: Question générale pour tous

Est-ce que quelqu’un peut confirmer la compatibilité de mes modèles avec ce que vous proposez (fil pilote + Jeedom) :

  • Thermor Équateur 4 Plinthe 1500W
  • Thermor Ingenio 4 500W horizontal
  • Thermor Corsaire 2 300W (avec l’interface Cozytouch si nécessaire)

Est-ce que ces 3 modèles réagissent bien au fil pilote et ne bloquent pas le pilotage quand un utilisateur touche la consigne ?

Encore merci à tous, vraiment :pray:
Votre aide m’est précieuse !

Bonne journée à tous
Yiannis

@Eridani78 et @crevelm je pouvais pas vous tagguer mais je vous mentionne à mon msg précédant

Bonjour,

Ok, on part de zéro donc ?
Dans ce cas, mieux vaut une solution clés en main pour démarrer. Il sera toujours temps plus tard de passer sur une solution plus personnalisée, si nécessaire.

Pour la box Jeedom, je conseillerai de partir sur une box officielle, à voir ici :

Et donc plutôt la Luna, qui intègre en natif les protocoles zigbee et Zwave (3 modèles au choix : Zigbee3.0 + Zwave, idem + 4G, idem + Loran).
Le Service Pack Power est compris avec la box (intéressant en particulier pour le support).

Pour le module à mettre sur le fil pilote, ce serait donc plutôt celui-ci, comme déjà indiqué :
https://www.domadoo.fr/fr/chauffage-connecte/6828-nodon-module-chauffage-fil-pilote-connecte-zigbee-30.html
Il est interfaçable en Zigbee, se câble facilement, et intègre en bonus la mesure de la consommation du radiateur.
A compléter avec le plugin Thermostat côté Jeedom (8€), et des sondes de températures en Zigbee ou Zwave (peu importe le modèle, ce n’est pas ce qui manque sur Domadoo…).

Avec cette base, il y a tout ce qu’il faut pour gérer tout les chauffages.

Enfin, pour Cozytouch, il existe deux plugins pour Jeedom qui à priori gère ce protocole : SomfyUnified (payant, déjà dit par @Eridani78), et CozyTouch (gratuit). Mais je ne les connais pas.

Ceci dit, sauf à vouloir absolument passer par une passerelle dédiée pour gérer les chauffages, pour moi c’est inutile, Jeedom fera tout aussi bien. Mais attention, cela demandera un certain investissement pour tout mettre en place : installation du matériel et de la box, conception du/des scénarios de gestion, et configuration de l’ensemble.
Ce n’est pas extrêmement compliqué en soi, mais il ne faut pas espérer que cela se fasse en une journée non plus… :wink:

1 « J'aime »

Bonjour @DanielJ,

Un immense merci pour ton aide, vraiment :pray:
On apprécie énormément le temps que tu prends pour nous guider — surtout qu’on débute totalement dans la domotique, donc on essaie de comprendre sans faire trop de bêtises :sweat_smile:

Tes explications sont super claires et on avance enfin dans la bonne direction grâce à toi.

J’aurais encore quelques petites précisions si tu veux bien :


1. Cozytouch : est-ce que je peux m’en passer complètement ?

Tu dis qu’avec Jeedom la passerelle Cozytouch n’est plus nécessaire — ce qui nous arrange beaucoup.

Mais pour notre sèche-serviette Thermor Corsaire 2, il n’est pas connecté nativement.
Pour qu’il devienne “connecté”, il faut ajouter l’interface Cozytouch / Thermor.

:point_right: Si on ajoute uniquement cette interface sur le sèche-serviette, est-ce qu’elle peut communiquer directement avec Jeedom ?
Ou bien est-ce qu’il faut absolument acheter en plus la passerelle Cozytouch pour que ça fonctionne ?

C’est vraiment flou pour nous :sweat_smile:


2. Chauffe-eau thermodynamique Atlantic Calypso connecté

On a aussi un Atlantic Calypso connecté.

Actuellement, avec Cozytouch, on ne peut presque rien faire (juste marche/arrêt…).
Tu penses que Jeedom peut mieux le gérer, via SomfyUnified ou le plugin Cozytouch ?

Ou on reste limité par le matériel ?


3. Quel modèle de Jeedom Luna choisir ?*

Sur la page Jeedom il y a plusieurs versions :

  • Luna Zigbee + Zwave
  • Luna Zigbee + Zwave + 4G
  • Luna Zigbee + Zwave + Lora

Notre usage :

  • 3 gîtes identiques
  • volets roulants profalux géré par leur boxe Calypshome
  • contrôleurs LED MiBoxer 5-en-1 en WiFi
  • beaucoup de modules Zigbee pour chauffage / scénarios
  • accès à distance indispensable
  • bonne stabilité

:point_right: Laquelle tu nous conseillerais pour notre configuration ?


4. Petite info pratique :

Dans chaque gîte, on a installé une carte magnétique à l’entrée :
Quand le client enlève sa carte, certains circuits se coupent automatiquement.
En plus, on a mis des capteurs magnétiques sur toutes les fenêtres et portes : si n’importe quelle ouverture reste ouverte plus de 45 secondes, le circuit se coupe et les radiateurs s’éteignent.

Donc la domotique (chauffage, température max, scénarios…) est vraiment un gros plus pour compléter ce système :+1:


Un immense merci encore pour ton aide et ta patience.
On avance petit à petit grâce à vous tous sur ce forum :hugs:

Bonne journée !

De rien :wink:

Bon, j’ai quand même la nette impression que c’est tout de même un projet d’envergure, on est loin de la domotisation d’une cage à lapin ! :rofl:

Mieux vaut faire les choses petit à petit plutôt que de se voir devant un mur semblant infranchissable…

Pour les différentes questions,

Pour moi, oui, complètement.
Qu’on ait affaire à un convecteur ultra-connecté avec de l’électronique partout vendu à un prix exorbitant, ou à un ‹ grille pain › des années 1970 récupéré à la déchetterie, du moment qu’il soit bien équipé d’une commande par fil pilote, il n’y besoin de rien de plus.

Le radiateur se borne à chauffer et de se stopper quand il en reçoit l’ordre. C’est tout ce qu’on lui demande.
Le reste, c’est Jeedom qui gère :

  • le maintien de la température de consigne, suivant (ou non) une programmation quotidienne/hebdomadaire/etc…,
  • la gestion du chauffage en fonction de l’ouverture/fermeture des fenêtres (s’il y a un capteur installé sur l’ouvrant qui remonte l’info vers Jeedom),
  • la coupure du chauffage si le client enlève sa carte (pour peu que cette information remonte bien également vers Jeedom d’une façon ou d’une autre…),
  • etc…

A ce niveau, seule l’imagination constitue une limite moyennant un retour d’information par les capteurs adéquats (ouverture, présence, mouvement, température, hydrométrie,…).

Oui, d’après la doc des deux plugins énoncés (Cozytouch et SomfyUnified, les passerelles sont indispensables pour que ces plugins fonctionnent.
Voir ici :

https://geogeocutcut.github.io/jeedom-cozytouch-plugin/fr_FR/

Et ici :

Disons que les possibilités via Jeedom sont infinies… Cf ce que je disais plus haut :

seule l’imagination constitue une limite moyennant un retour d’information par les capteurs adéquats

Ce n’est pas le matériel qui limite dans ce cas, mais bien le logiciel. Si l’application CozyTouch ne permet que de faire un arrêt/marche, tant que le constructeur n’intégrera pas des scénarios ou d’autres moyens logiciels via l’application pour mieux gérer ce chauffe-eau, et bien ça en restera là…
Avec Jeedom, perso par exemple je gère mon chauffe-eau comme je l’entend, nul besoin de passerelles ou d’applications plus ou moins (plutôt moins d’ailleurs…) efficace.
Voir ce fil de discussion pour en apprendre un peu plus :

Tout dépend des distances entre les capteurs et la clé contrôleur (intégré dans la box Luna). Suivant le protocole utilisé, en Zigbee on peut espérer couvrir grosso modo dans un rayon de 20 à 40 m suivant la topographie (murs plein/creux, terrain dégagé, etc…). On peut augmenter cette portée avec des modules routeurs (qui vont relayer les messages) judicieusement placés, mais qui doivent être eux obligatoirement alimentés sur secteur.
En Zwave, la fréquence porteuse est moindre et donc la portée plus grande.
Le mieux est sans doute de faire quelques tests de portée, pour être sûr, avant de déployer tout le matériel…

Juste pour info, le protocole Zigbee 4.0 devrait arriver l’année prochaine, avec la promesse d’une portée plus grande, une sécurité accrue, etc…
Voir ce sujet :

Quant à l’accès à distance ou la bonne stabilité, ce n’est absolument pas un problème.
Perso j’utilise un accès VPN pour accéder à mon Jeedom hors de mon domicile, mais il existe beaucoup d’autres solutions.
Et pour la stabilité… c’est à toute épreuve (linux oblige !), et rares sont les plantages (mais ça arrive…). Certains ici (dont moi) ont des systèmes qui tournent sans aucun problème notable pendant des mois.

Oui, c’est sûr ! :wink:

1 « J'aime »

Merci beaucoup Daniel, vraiment. Tes réponses sont ultra claires et on apprécie énormément le temps que tu prends, ça nous aide plus que tu peux l’imaginer !

Le gîte fait seulement 36 m², donc aucun souci de portée pour le Zigbee/Zwave.
Dans ce cas, tu conseillerais de partir sur quelle version de la Luna pour être le plus cohérent et simple possible ?

Encore merci pour ton aide et ta patience :pray::sparkles:

1 « J'aime »

Re-bonjour,

Bravo à @DanielJ pour son super boulot, ses conseils et ses synthèses dont lui seul a le secret :wink:

Concernant le plugin SomfyUnified sur lequel je peux m’exprimer, j’aimerais juste rajouter que pour un seul Chauffe-eau thermodynamique Atlantic (comme le modèle Calypso), je suis justement en train d’ajouter à la Base de Connaissance un chauffe-eau équivalent Thermor et ce n’est pas moins de 150 commandes info/actions qui sont remontées au travers du plugin pour un pilotage / monitoring de ce type d’équipement sous Jeedom.

Voila pour compléter ce tableau déja bien complet mais qui ne permettait pas de mettre en avant la polyvalence et les capacités du plugin SomfyUnified (et son extension possible).
Comme indiqué par @DanielJ , voir la doc du plugin et en particulier à la fin, la liste des équipements déja intégrés.

Après, tout dépend de ce que l’on cherche, évidement.

Je vous remercie

2 « J'aime »

Un immense merci à vous deux pour vos réponses incroyablement détaillées.
On ne connaît encore personne ici, mais on imagine très bien que @DanielJ est un peu le papa du forum* :smile: — toujours là, toujours précis, ça force le respect !
Et merci enormement à toi @Eridani78, c’est vraiment génial d’avoir les explications directement du développeur du plugin SomfyUnified, bravo pour ce travail impressionnant :clap:

Les 150 commandes pour le chauffe-eau thermodynamique… wow.
C’est exactement le genre de contrôle fin qui nous intéresse, surtout pour un gîte où on doit optimiser la conso et automatiser intelligemment (bon on utilisera pas 150 mais ça a l’air mieux de ce que cozytouch propose…)

Du coup, on veut vraiment partir sur la bonne configuration :

:point_right: Si on achète une box Jeedom Luna, qu’est-ce qu’il faut ajouter pour utiliser SomfyUnified ?

  • Est-ce qu’il faut simplement acheter le plugin ?
  • Ou bien un module matériel supplémentaire spécifique Somfy ?
  • Et pour connecter le chauffe-eau + les trois radiateurs (via fil pilote) + le sèche-serviette (via interface Cozytouch si nécessaire), est-ce que tout passe par la Luna + le plugin, ou faut-il prévoir autre chose ?
  • Est ce que tu as developpé par hazard qqchose pour les VR Profalux qui utilisent la boxe calypshome zigbee ?

Encore merci pour votre temps et votre patience, on apprend énormément grâce à vous :pray:

1 « J'aime »

Pour cette surface, à priori la version de base (ou 4G si une connectivité Internet permanente est requise) devrait suffire, à condition bien sûr que la box soit placée au même endroit.
Après, il est toujours possible d’utiliser une autre clé contrôleur si besoin, et qui pourrait être mieux adaptée, comme la SMLIGHT SLZB-06 qui a un connecteur Ethernet.
:wink:

1 « J'aime »