Hello
J ai un problème avec ce de double relais ZB
Quand je test avec lui
Bouton B une pression = relais 2 on Si je refait une pression relais 2 off
bouton C une pression = relais 1 on Si je refait une pression relais 1 off
Si relais 2 on et je fait une pression sur bouton C alors relais 2 off et relais 1 on
Si relais 1 on et je fait une pression sur bouton b alors relais 1 off et relais 2 on
Tout est normal
J ai donc par la suite déclarer dans jeedom
Quand je teste Ouverture= relais 1 on et relais 2 off
Quand je teste Fermeture= relais 2 on et relais 1 off
Mon pb
Quand je teste Ouverture= relais 1 on et relais 2 off
Si je refait la même action a savoir: teste Ouverture = relais 2 on et relais 1off ( pour résumer J ai une inversion d état de mes 2 relais
Comment me pas avoir cette inversion si je fait 2 fois la même action ?
le matériel utilise n ai pas le bon ?
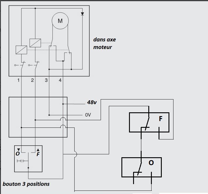
Pour la vu d ensemble le schéma complet ( Partie des 2 relais ZB a droite )
Merci


