Sirène à domotiser (version Zigbee)

Bonjour à tous,

Je viens de découvrir cet excellent article pour transformer une sirène extérieure pro en sirène connectée Z-Wave, et j’envisage de me lancer l’aventure dans une version Zigbee de la solution décrite sur ce post :

Tout d’abord merci à toi @Fabrice pour les précieux conseils sur la manière de faire dans les règles de l’art.

A la place du Fibaro je suis parti sur le module Zigbee Develco IOMZB-110, et j’ai adapté le câblage de la façon suivante :

Comme ce module dispose de 4 entrées, j’en ai profité pour câbler les sorties défaut d’alimentation et défaut de batterie (j’ai un doute sur la nécessité ou non de câbler les broches d’à coté sur la masse…).

J’ai déjà le module, mais j’attend le module afin de pouvoir faire des tests!

3 « J'aime »

Ca y est je viens de recevoir la Sirex-F. Déjà bonne nouvelle, le module Develco tiens dans le logement de l’alarme (il ne fallait pas plus grand!).

Avec l’alarme en main, je viens de comprendre le fonctionnement de l’auto-protection à l’arrachement : la borne 1 « Tamper » est reliée à un deux contacts montés en série :

  • Le premier situé du coté du mur permet de détecter un arrachement du boitier
  • Un second placé sous la vis d’ouverture permet de détecter une tentative d’ouverture du boitier

Je viens de voir sur une autre notice de la marque Altec que « La sortie de l’autoprotection AP TAMPER doit être câblée en série sur la boucle d’autoprotection de la centrale d’alarme ».

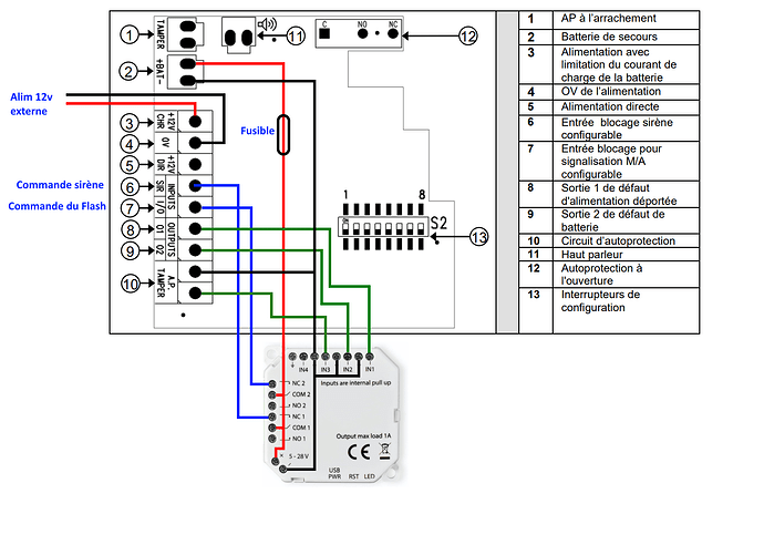
Comme il me reste des entrées disponibles sur le module Zigbee, j’ai modifié le câblage afin de pouvoir détecter les tentatives de sabotage de la sirène à partir des broches 10 « A.P Tamper » :

Voici ce que donne le résultat après installation du module Zigbee dans la Sirex-F :

Le déclenchement de la sirène et du flash lumineux fonctionne, ainsi que la remonté de l’état de la batterie de l’alimentation pour la charge de la batterie.

Pour le moment l’état la remontée de l’état d’autoprotection (AP Tamper) ne remonte pas correctement (IN3 du module), bien que celle-ci soit en +12V… Je vais continuer d’investiguer…

1 « J'aime »

J’ai trouvé ou était mon erreur en relisant la documentation du module Develco : « Inputs with internal Pull Up. Must be shorted to IO Module GND for signal IO Module GND »

Donc il faut relier la première broche de AP Tamper à la masse, et non pas au +Bat comme je l’avais fait dans le schéma précédent.

Voici donc la version finale fonctionnelle :

Pour commander depuis Zigbee2MQTT par exemple :

  • Le switch 1 permet de faire sonner l’alarme

  • Le switch 2 permet de faire clignoter les LED de signalisation

  • L’entrée 1 indique si l’alimentation de charge de la batterie est fonctionnelle (Vrai pour OK, Faux pour KO)

  • L’entrée 2 indique si la batterie est fonctionnelle. J’ai testé en débranchant la batterie avec l’alimentation branchée, le status passe bien à Faux

  • L’entrée 3 indique que l’alarme n’a pas été sabotée. Là aussi j’ai testé, en soulevant l’alarme (1) ou en dévissant la vis d’ouverture l’entrée passe bien à Faux pour indiquer un sabotage

(1) Un contact situé entre l’alarme et le mur auquelle elle est fixée permet de détecter une tentative d’arrachage. J’ai simulé cela en posant l’alarme sur une table, et en la soulevant pour faire comme si elle se faisait arrachée.

Ce sujet a été automatiquement fermé après 24 heures suivant le dernier commentaire. Aucune réponse n’est permise dorénavant.