Bonjour,
j’essai d’avoir un retour d’état sur des hottes aspirante possédant un contact sec, mais j’ai des soucis sur le retour qui semble très instable
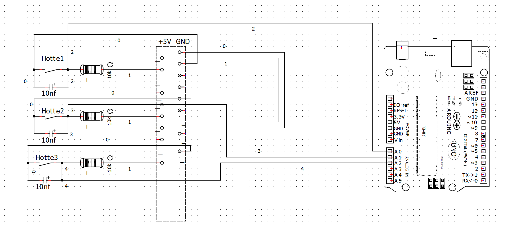
je vous joint le schéma que je pense avoir respecté
et j’ai donc plein de faux retour, pour infos elles se mettent en route de 7h à 10h et de 15h30 à 15h45
Auriez vous une piste d’amelioration ou de modification à apporter?
Merci
J’ai entendu parler d’anti bouncing mais je ne sais pas du tout comment le mettre en place
Une petite aide?
Bonjour,
L’anti-bouncing, ou l’anti-rebond en bon français, est un dispositif électronique permettant d’éviter cet effet de ‹ rebonds › dont la caractéristique principale est d’avoir un train d’impulsions plus ou moins rapprochées, consécutif à l’activation mécanique d’un bouton poussoir.
Mais ces rebonds ne sont espacés que de quelques millisecondes, pas beaucoup plus (on n’est pas sur de la minute !)…
Voir ici par exemple :
https://www.allaboutcircuits.com/textbook/digital/chpt-4/contact-bounce/
Il existe plusieurs façons de s’en prémunir, matérielles ou logicielles.
- Avec du matériel
Le circuit le plus simple est d’utiliser une cellule RC (résistance, condensateur) dont les valeurs vont définir la constante de temps (on est à l’échelle de la milliseconde…).
Au contact, le condensateur va se charger via la résistance, impliquant une montée progressive du signal (et non pas abrupte). Au relâché du contact, le condensateur va se décharger progressivement d’où un signal lissé qui va revenir vers le 0 volt, permettant d’éviter ces rebonds.
J’ai bien l’impression, au vu du schéma ci-dessus, que c’est exactement une variante de ce circuit qui est monté sur la hotte (montée immédiate, puis décharge ‹ lente › au relâché).
Il est possible également d’utiliser un circuit logique dit monostable. Ce sont des circuits logiques (deux portes NAND en général, associés à une résistance et un condensateur), qui lorsqu’un signal High (1, +5V, H,…) est appliqué en entrée, en sortie on a une unique impulsion dont la durée est dépendante de la valeur de RC. Ce qui efface du coup les rebonds, et ce jusqu’au prochain appui sur le bouton poussoir.

Ici avec les valeurs de R et C, on a une impulsion de 1,5 seconde, bien sûr bien trop longue pour ce type d’application (je m’en sert pour commander des aiguillages électromécaniques sur un réseau ferroviaire…). Avec R=10kOhms et C=10µF, ce serait déjà mieux…
- Logiciel
Il suffit de ne pas prendre en compte le signal immédiatement, mais d’attendre quelques dizaines de millisecondes pour ne pas tenir compte de ces multiples rebonds, et l’état final à 1.
Par contre, c’est impossible à faire avec un scénario Jeedom qui ne réagit au mieux qu’à la seconde, et donc qui ne peut fonctionner que si l’appui sur le bouton poussoir dure plus d’une seconde (pas toujours évident…).
Mais avec du code implémenté sur l’Arduino, c’est faisable, comme par exemple :
while(1) // Boucle infinie (à adapter bien sûr)
{
if (BP == 1) // Si on appuie sur le bouton poussoir, alors...
delay(10); // On marque une pause de 10ms pour attendre la stabilisation à l'état haut.
if (BP == 1) // Si après la pause l’état du BP est toujours à 1, alors on exécute l'action à faire
{Action à réaliser après un appui}
}
Voilà…
Merci @DanielJ a vrai dire c’est moi qui est mis en place ce schéma car j’ai regardé des exemples sur internet… donc on peut le modifier, ce que j’ai sur mes hottes c’est uniquement un contact sec, j’ai cherché quelque chose sur Amazon pour l’anti-boucing de tout fait mais j’ai rien trouvé (peut être un marché a prendre
)
Du coup je dois suivre ton schéma?
Bonjour,
En effet, sur Amazon ou Ali je doute fortement que des circuits anti-rebonds prêt à l’emploi soient commercialisés, il faudra en passer par du DIY…
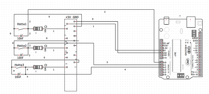
Voici un schémas de câblage utilisant une simple cellule RC qui devrait être suffisant :

L’impulsion en sortie sera donc de 70ms avec R1=10Kohms et C1=10µF, ce qui devrait convenir, à adapter sinon (en jouant sur la valeur de R1 par exemple) .
Suivant la tension Vcc utilisée, il faudra choisir un condensateur polarisé capable de supporter au moins deux fois cette tension max (10v pour Vcc = 5v par ex.).
Enfin, vu le peu de composants utilisés et la simplicité de ce montage, cela peut se faire ‹ en l’air › en câblant la résistance et le condensateur directement sur le contact du bouton poussoir.