[RÉSOLU] Coupler un récepteur Wally2 avec un module Shelly 2.5

Bonjour la communauté,

J’ai pour projet de coupler un récepteur Wally 2 (ceci) avec un module Shelly 2.5 (cela).

Pourquoi un Shelly 2.5 ? Parce que le récepteur Wally 2 gère 2 canaux donc autant ne mettre qu’un seul module pour gérer les 2 canaux.

Voici le schéma de base du Wally 2 :

Et le schéma avec le Shelly 2.5 intégré :

Je suis preneur de vos avis avant de me lancer !

Merci bien,
Thibault

Bonjour,

Je ne comprends pas le but recherché en faisant ce couplage.

Vous voulez arriver à faire quoi avec ce montage?

Bonjour,

Merci pour le retour.

L’idée est de pouvoir contrôler les éclairages en question à distance (hors de portée de la télécommande du Wally 2) et de pouvoir établir des routines sur ces éclairages (par ex, prévoir l’allumage à la tombée de la nuit, etc.).

Thibault

Le plus simple serait de virer le Wally2 pour le remplacer par le Shelly. C’est plus « propre », ce qui donne un contrôle local et distant (via l’appli Shelly ou Jeedom) avec des routines en plus si besoin

Effectivement, ce serait plus simple :grin: mais quid du challenge ?!

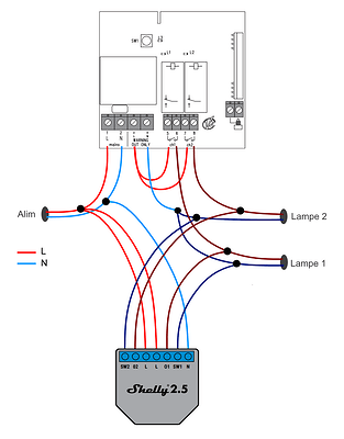
Plus sérieusement, pour pousser ton idée, j’ai fait un petit schéma mais j’ai un doute sur la destination de la phase des lampes :

Une idée ?

Doc Shelly :

Donc les marrons des lampes au Neutre (bleu)

NB: perso je brancherai les marrons des lampes aux bornes 01 et 02 du shelly et je brancherai le bleu des lampes au neutre
c’est plus cohérent !

1 « J'aime »

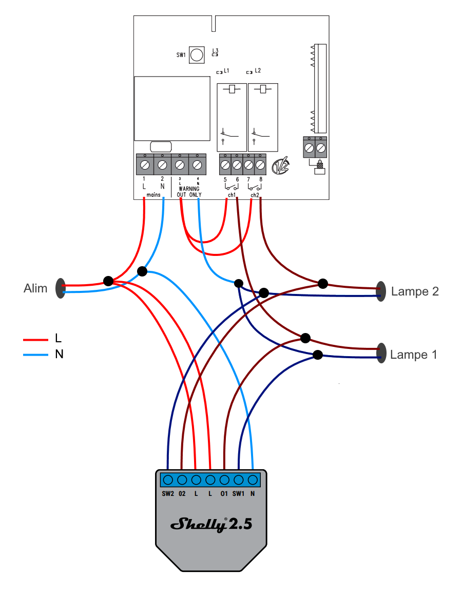
Ah zut, donc j’avais tout faux (!)

Ça donnera plutôt ça du coup ?

1 « J'aime »

Voila c’est nickel !

@biarnes64 merci beaucoup de ton aide !

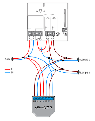
Bon, comme je suis un peu tétu, j’ai quand même tenter de coupler mon Wally2 et mon Shelly2.5 :innocent:
Voici le schéma correspondant :

Ça fonctionne à peu près puisque :

  • Je peux allumer / éteindre les lampes via le Shelly
  • Je peux allumer / éteindre les lampes via le Wally

En revanche, le statut de la lampe n’est pas retourné au Shelly ou au Wally si c’est l’autre qui a fait l’action, soit par exemple :

  • Si j’allume une lampe avec le Shelly, le Wally ne switch pas ce canal en position « allumé », donc je ne peux pas l’éteindre à l’aide du Wally
  • Et inversement, si j’allume la lampe avec le Wally, le Shelly ne détecte pas que la lampe est allumée, donc je ne peux pas l’éteindre via le Shelly

Soit j’ai un problème de branchements… soit les deux ne sont pas compatibles…

En attendant, j’ai sorti le Wally de l’équation comme suggéré par Biarnes64 et j’ai connecté directement mes éclairages sur le Shelly.

Bonne soirée,
Thibault

C’est normal, gérer ça va être compliqué, l’un ne pilote pas l’autre. Le premier qui prend la main la garde pour imager ! Et je trouve pas ce type de branchement propre.
Au mieux il faudrait utiliser le Wally2 comme interrupteur sur les entrée (SW1 et SW2) du Shelly, et encore ça reste du bricolage

Après on peut aller plus loin :
un RFxcom pour piloter par RF le Wally2 puis un scenario dans Jeedom pour piloter le tout mais sans garantie car le RF n’a pas de retour d’état.
Puis toujours les sorties de ces deux appareils branché en même temps sur une même lampe : interdit chez moi c’est du BTM !!!
( Bidouille Tripote et Mascagne)

Bref pourquoi faire simple quand on peut faire compliqué !

Mais chacun fait comme il veut…

Bonne soirée

Bonsoir,

C’est très clair, merci beaucoup !

Tu m’as convaincu :wink: je vais rester sur les Shelly.

Merci encore,
Bonne soirée !
Thibault

Ce sujet a été automatiquement fermé après 24 heures suivant le dernier commentaire. Aucune réponse n’est permise dorénavant.