Remplacer le pilote EDF par un module

Bonjour à toutes et tous.

Je ne suis pas électricien même si j’ai des notions.
Donc voilà le truc classique pour l’ECS

L’idée serait de mettre un module à la place de ‹ Pilote EDF › et de pouvoir choisir quand le ballon chauffe.
Notamment en tarif tempo rouge par exemple

Ma question, est-ce possible avec un shelly 1 par exemple et comment câbler le truc ?
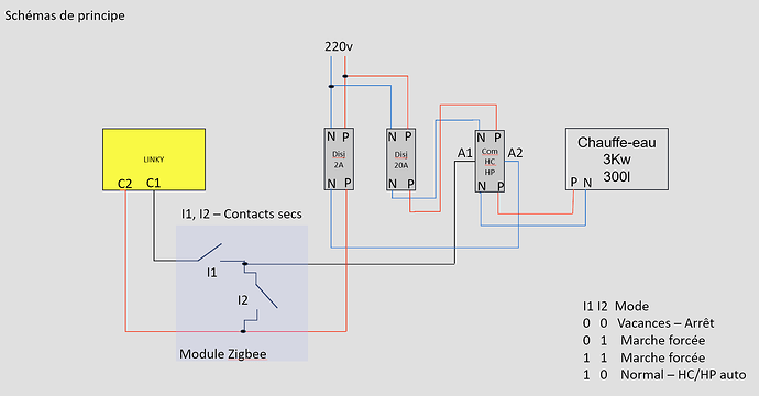
De ce que je comprends on active le relai en envoyant du courant la phase sur a1 ?

Merci

Bonjour,
Oui, l’idée c’est bien ça.
On peut même améliorer le système avec deux relais (Wifi, BT, Zigbee,…) :

Cela permet d’avoir plusieurs modes de fonctionnement.

Le câblage complet donnerait ça :

C’est ce que je prévoyais de faire, mais finalement je me suis tourné vers un module HC/HP Legrand en zigbee :


(la mise en place du routeur solaire n’est pas obligatoire évidemment…)

Le câblage est plus simple, et cela économise de la place dans le tableau (le disjoncteur de 2A est intégré dans le contacteur par exemple).

2 « J'aime »

Merci beaucoup.

Alors en fait, c’est pour une maison secondaire, en tarif tempo et ou je n’ai pas l’information hp/hc
mais je suis en tempo.

L’idée est donc depuis le jeedom de mon habitation ou j’ai le plugin teleinfo recupérer l’info hc/hp et le jour temp (bleu blanc rouge) afin de piloter le ballon distant.

Les 2 jeedoms sont sur le même LAN car il y a un vpn entre les 2 maisons

Ok, dans ce cas, il suffit juste d’utiliser le relais I2 sur mon schémas, et d’oublier I1 et le raccordement au compteur Linky.
Ainsi, il sera commandé par un scénario du Jeedom ‹ distant › par exemple en position ON pour les heures creuses, et OFF pendant les heures pleines, et éventuellement en fonction de la couleur des jours tempo.
Ce qui revient au schémas initial du coup, en remplaçant ‹ Pilote EDF › par le relais de votre choix :wink: (inutile qu’il soit très costaud d’ailleurs, il n’y a quasiment aucun courant qui passe…).

1 « J'aime »