Bonsoir,
J’ai une chaudière fioul Wiesmann (température constante) avec régulation par vanne 3 voies pour le circuit eau radiateurs. Cette vanne est piloté par un régulateur Siemens qui prend en compte la température extérieure et la température intérieure et les consignes du module déporté.
Je souhaiterais adapter une régulation domotique.
Dois je changer le thermostat intérieur ou toute la régulation pilotant la vanne 3 voies ?
Merci.
Bonjour,
remplacer la régulation d’un départ chauffage par un système connecté qui doit faire la même chose que du Siemens n’est pas chose facile… quel est le but? modifier la température?
De quelle vanne s’agit-il? 0-10V? 3 points?
Il existe des thermostats connectés qui peuvent être liés à jeedom, mais il faut vérifier la compatibilité de la chaudière.
Bonjour
Sujet qui m’intéresse également.
Il serait plus aisé de changer le module Thermostat par un Thermostat connecté, du style Netatmo.
Mais si je comprends bien, nous aurions la possibilité de mettre un simple relais piloté par le plugin Thermostat couplé à des vannes thermostatique connecté.
Ou peut être les deux Thermostat connecté (de type Netatmo et un relais/switch double pour garder une commande manuelle.
Des avis ?
Je débute dans ce monde domotique, désolé si mon idée comporte des imprécisions.
Bonjour, si le thermostat est juste on/off alors oui c’est possible
Bonjour, si tout les radiateurs sont équipés de tête connectée si faut équiper le circuit chauffage avec une soupape différentiel
Bonjour,
Avant de déménager, nous avions une chaudière Frisquet avec une vanne trois voies.
J’ai réussi à faire fonctionner le chauffage en remplaçant le thermostat theben par un netatmo mais il a fallu l’adapter.
En effet, notre vanne trois avait un fil pour l’ouverture et un autre pour la fermeture. Un fallait donc deux contacts NO alors que le netatmo n’en propose qu’un.
Tout cela pour dire que ce que vous voulez faire est probablement faisable mais qu’il faut savoir comment fonctionne votre vanne trois voies.
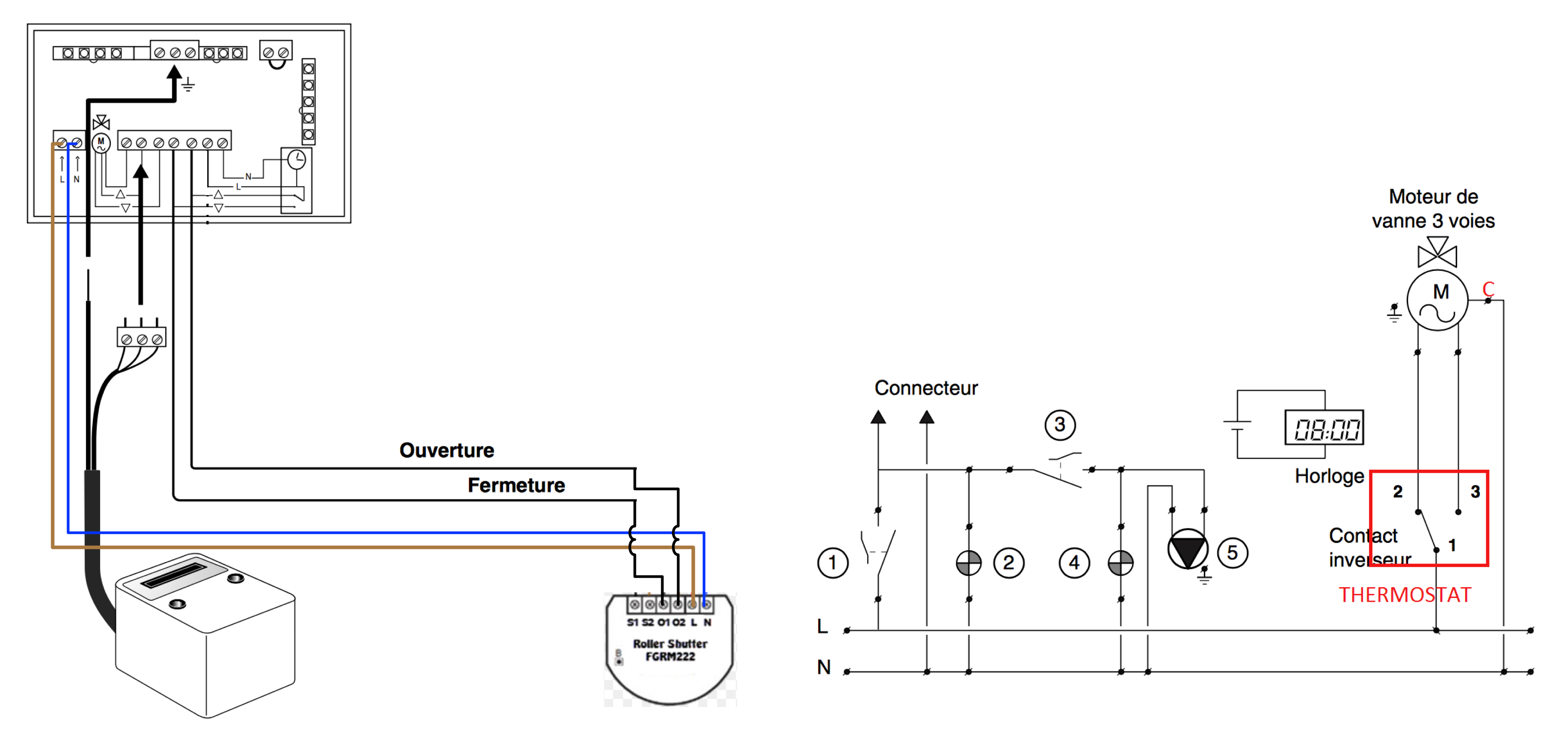
Dans mon cas, c’est justement une chaudière frisquet Gazliner avec le circuit imprimé F3AA40377
dont le branchement est expliqué dans le manuel =>
Ce branchement serait acceptable avec un relai (source: un autre forum) =>
IMAGE
L’idée serait d’y ajouter un thermostat en plus du relais, pour pouvoir piloter « manuellement » si le relais/jeedom plante.
Oui ça doit marcher comme sur ton image ,après tu peut câbler en th 2 fils, tu positionne la vanne en pleine ouverture avant de la débrancher .
Notre chaudière datait de 1991, pas d’électronique intégrée pour contrôler la vanne trois voies, c’est le thermostat qui intégrait le relais inverseur.
Le sens de mon propos hier était, pour répondre à la question initiale, que oui, il y a moyen de faire marcher mais que la solution était peut-être plus compliquée que la mise en place d’un simple relais.
Par ailleurs, dans la doc citée, le cas 2 va fonctionner avec un simple relais, les autres je sais pas.
Je ne suis pas chauffagiste et je peux me tromper, mais je ne suis pas d’accord.
Si le thermostat agit sur la vanne trois voies alors il n’agit pas sur la commande du brûleur.
Pour moi, le thermostat ouvre la vanne ce qui fait circuler de l’eau plus froide dans la chaudière qui va se mettre à chauffer pour corriger. Une fois que la température d’ambiance est presque atteinte, le thermostat ferme la vanne et le système continue sur son inertie.
Dans la doc, il y a trois cas, le thermostat deux fils ne fonctionne que pour le « cas 2 ».
Oui le thermostat telle qu’il est brancher agit sur la V3V en tout ou rien si tu utile le schéma 1 alors il agit sur le circulateur bien-sur en ayant mis la v3v en pleine ouverture avant de la déconnecter électriquement et en supprimant le th
N’oublions pas que le TH comme il est utilisé quelle qui soit agit sur l’installation complète donc dépendant de son emplacement ce qui est généralement utilisé quand il n’y a pas de RTH.
Le mieux c’est pas de TH est RTH connecté si tu veux gérer du pièce par pièce car la l’installation n’est pas sur une loi d’eau.
