Domotiser SPA Dimension One

Bonjour à tous,
Je viens de changer mon spa gonflable intex par un « vrai » spa d’occasion Dimension One.
Je souhaite pouvoir mettre en route le chauffage par l’intermédiaire de Jeedom sans perdre les commandes actuelles.
J’ai une carte réalisé par notre ami @rol-rider qui me servait à piloter mon spa intex via 4 relais 16A.
Le nouveau Spa est équipé de 2 pompes dont une bi-vitesse qui sert à la filtration en vitesse basse (environ 3A).
Le réchauffeur est de 2000 w.
Je souhaite donc pouvoir mettre en route la pompe 1 en vitesse basse et ensuite la résistance électrique. Une sonde de température DS18B20 relièe à la carte et placée dans le spa permettra de gérer la consigne et l’arrêt ou le redémarrage de la résistance.
Ci-dessous le montage pour piloter la pompe 1 en vitesse 1 si quelqu’un peux me donner son avis je suis preneur.

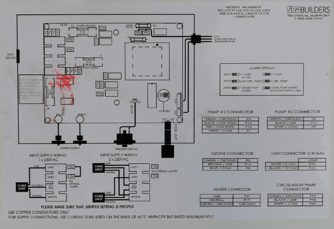
Ci-dessous le schémas de la carte électronique :

Pour la résistance électrique je compte partir sur le même principe avec un second contacteur 16A.

En amont j’ai un inter diff AC 40A 30mA + un disjoncteur 20A

Mon interrogation est sur la mise en marche simultanée qui peut se faire à la fois par la carte du Spa qui conserve les cycles de filtration (60 minutes 2 fois par jour pompe 1 en vitesse 1) et la possibilité de gérer la chauffe et mon montage piloté par Jeedom.
Que peut il se passer si jeedom met en route la pompe et la résistance qui sont déjà en route via la carte du Spa ?

Merci par avance de votre aide
Stéphane

Question subsidiaire :grin:
Peut on se passer du contacteur puisque l’ on est sous le même Dijoncteur ?
Si le relais de la carte du spa et celui de ma carte sont collés que se passe il ?

Pas beaucoup de réponses à tes interrogations !
Je suppose que tu ne peux pas agir sur la commande du SPA (comme l’ancien) ?

Je pense qu’il faut passer par un contacteur les relais de la carte Jeedom ne sont pas prévus pour alimenter une pompe ou une résistance chauffante.

Si tu agis sur la même phase, (issu du même disjoncteur), il n’y a pas de risques même si la pompe ou résistance est alimenté par les deux sources.
Le problème, c’est que le SPA ne pourra pas couper l’alimentation si la carte Jeedom alimente.

Si le relais de la carte du spa et celui de ma carte sont collés que se passe il ?

Si c’est la même phase et que le retour ( neutre) dont sur le même disjoncteur différentiel…rien la pompe ou la résistance sera sous tension.

Salut @rol-rider ,
Effectivement pas beaucoup de réponses.
C’est encore toi qui t’y colle :wink:
Entre temps j’ai testé sur des lampes et j’ai eu confirmation de Tignous.
Donc pas de problème si je suis sous le même disjoncteur ce qui est le cas.
Par contre j’ai démonté l’ancien spa pour récupérer la carte et les relais sont des 5A car juste prévus pour des contacts sur les boutons.
Je vais donc passer par des contacteurs comme ci-dessous :

Je vais tirer en 1.5mm² pour les fils allant sur la carte du SPA existant.

Pour les retours d’état des alimentations pompe et résistance, je peux tirer en 0.75 mm² ??

Merci encore pour ton aide
Stéphane

J’ai un autre problème car j’ai un flussostat sur la résistance qui travail en 5v (4.9v = pas d’eau qui circule dans la résistance / 0v circulation d’eau dans la résistance donc on peut la mettre en route)
Il faudrait que je modifie ta carte sur un retour d’état 230v pour détecter 5v.
Je pense supprimer les éléments d’un retour et mettre une résistance pour abaisser à 3v et ainsi me connecter au GPIO correspondant. Ton avis ?

Oui, du 0,75 suffit.

Oui, c’est faisable, j’avais déjà modifié une entrée pour l’électrolyse mais c’était du 10v.
De mémoire ( je ne suis pas chez moi pour les fêtes)
Il faut shunter le condensateur (rouge sur la photo)
Et adapté la résistance qui se trouve à côté.

Désolé je t’embête pendant les vacances !!
Quand tu dit adaptée il faut mettre une autre valeur ?

Je viens de shunter le condensateur et ca à l’air de fonctionner avec du 5v.
Merci pour l’info !!
Passe de bonnes fêtes de fin d’année
Stéphane

Ce sujet a été automatiquement fermé après 24 heures suivant le dernier commentaire. Aucune réponse n’est permise dorénavant.