Bonjour,
J’ai fait installer un kit pour moteurs battants phobos BTA40 dans lequel la centrale THALIA.
J’aimerais envoyer à ma box une info quelconque sur l’état du portail en Zigbee en utilisant ce qui existe déjà dans mon installation. (Histoire de dire à ma box que le portail a bougé et donc que je rentre ou que je sors).
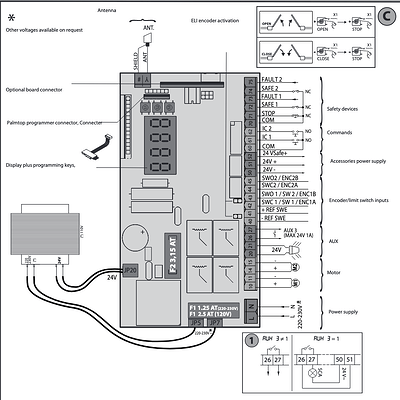
D’après ce que je lis, les capteurs d’ouvertures Zigbee ne résistent pas aux intempéries, alors autant utiliser les info de fins de courses des moteurs quand elles existent, elles sont apparemment reportées dans le boitier de la centrale (borne 42 et 43).
Malheureusement, ces broches sont déjà utilisées (sûrement pour le réglage de fin de course des moteurs).
Par contre dans la discution sur les moteurs A400 Moteur Portail BFT Thalia u-link - #18 par loustic03, il est dit que la borne Aux3 peut être utilisée pour récupérer l’info voyant portail ouvert.
En plus, dans ces centrales il y a des alimentations pour les accessoires.
Je penses qu’on pourrait prendre un module zigbee, l’alimenter par une de ces alimentations dans la centrale et lui faire envoyer l’info.
Si le module est assez petit, il rentrerait dans la centrale et il serait bien à l’abri.
Mais je ne suis pas assez calé pour passer en phase réalisation, si quelqu’un veut faire avancer ce sujet, je mets des extraits de la notice ci-dessous.
Salut,
AUX 3 c’est un contact no , donc tu peux utiliser un module qui peux s’alimenter en 24 vac
mais a tester avec un multimètre si AC ou DC en 50/51 et tu câble 26/27 en interrupteur et bien sur alimenter par 50/51
Et bien mettre en para AUX 3 en logique 3
Sinon tu peux utiliser un
sur lesquelles tu fais une modif du contact avec 2 fils ![]()
Après vérification au voltmètre, il y a un peu plus de 29 V alternatif entre 50 et 51.
L’installateur a branché 2 fils rouges sur le 52 et 2 fils gris sur le 50, peut être pour les clignoteurs de chaque battant …
J’ai finalement pris le module FGBS-222 en ZWave, mais je ne sais pas comment le brancher parce qu’il s’alimente en 9- 30 V continu.
De plus je ne sais pas si je peux ajouter un 3ième fil sur 50 sans surcharger en puissance.
Hello,
Si 29vac alors il faut utiliser une alim indépendante pour le fgbs 222
Sur la doc de mon portail c’est marquer alim accessoires en 24 vdc et au final c’est de l’alternatif .
Mais dans tous les cas j’avais prévu une alim indépendante pour le fgbs pour pouvoir avoir le retour d’état si le moteur débrayé
Alors je vais faire pareil, mais je trouve nulle part quelle puissance consomme le fgbs222.
Je vais tenter en passant par une alim 12 v 2A à 6,90 € et 15 m de câble téléphone 4 paires.
2A aucun problème , perso j’utilise ça en 12v et en 5v pour l’instant depuis 4 ans que j’utilise du MEAN WELL aucun n’est tombé en panne

Une alim 12 v en 2A avec 25 m de câble de 0,75mm, et ça fonctionne parfaitement en suivant tes conseils.
Merci ! 
Ce sujet a été automatiquement fermé après 24 heures suivant le dernier commentaire. Aucune réponse n’est permise dorénavant.


